四国 カプチーノ キーパーズ
ホーム
記事投稿
掲示板
Cappuccino Wiki
検索
サイト情報
記事一覧
ログイン
リンク
Sick'Sストア(アマゾン)
カレンダ
検索
検索
検索オプション
記事カテゴリ
ニュース (85)
おしらせ (12)
みんなのブログ (43)
オフ会情報 (36)
MEMBER LIST (0)
パーツインプレッション (21)
サイト管理者 (1)
QRコード
ログイン
ログイン
ユーザ名
パスワード
新規登録
パスワードを忘れたら
Site Calendar
サイトカレンダをスキップ
2025年
12月
«
»
日
月
火
水
木
金
土
1
2
3
4
5
6
7
8
9
10
11
12
13
14
15
16
17
18
19
20
21
22
23
24
25
26
27
28
29
30
31
«
»
過去記事
金曜日
5月 3日
帰還報告
(1)
木曜日
4月18日
春のオフ会
(1)
火曜日
3月12日
西ミ
(2)
謹賀新年2013
(2)
土曜日
11月24日
ステッカー復刻記念オフ報告
(3)
水曜日
10月31日
ジムカーナ?
(2)
金曜日
10月19日
ステッカー復刻記念オフ
(3)
日曜日
9月23日
スズキCappuccino EA11R+21RメカニズムBOOK
(1)
金曜日
8月10日
SCUD 吸気濾過システム by木村自動車
(0)
水曜日
7月 4日
アルミ2層大容量ラジエター by GTCP
(0)
2025年12月12日(金) 15:36 JST
ファイル管理
メイン
:
パーツ
:
カテゴリ:
パーツ
ファイル提供:
WHAM!
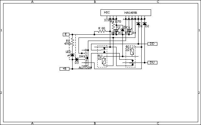
ワゴンR(CT21s) オートパワーウインドスイッチ部
 
ワゴンR(CT21s)のオートパワーウインドの基盤を小型化するのに配線図を起こしてみました。
まだ、作っていませんので間違ってるかもしれませんが…。
バージョン:
0.1
日付:
2012年1月 8日
評価:
0.00
889
57.13 KB
コメント作成
|
ダウンロード
|
全文表示
|
このファイルを評価
|
破損ファイル
|
0件のコメント
アカウント登録
表示形式
古い順に
新しい順に
ツリー
一覧
入れ子
表示しない
コメント投稿
コメントは投稿者の責任においてなされるものであり、サイト管理者は責任を負いません。
コメントは投稿者の責任においてなされるものであり、サイト管理者は責任を負いません。